Trong công nghệ chế biến thực phẩm phải sử dụng một năng lượng lớn cho một số công nghệ: sản xuất nước nóng, cô đặc, chưng cất, sấy…nguồn năng lượng ngày một khan hiếm. Do đó tìm các biện pháp để tiết kiệm năng lượng trong CNCB Thực phẩm là vấn đề cấp thiết mà thực tế đặt ra.
I. ĐẶT VẤN ĐỀ
Trong công nghệ chế biến thực phẩm phải sử dụng một năng lượng lớn cho một số công nghệ: sản xuất nước nóng, cô đặc, chưng cất, sấy…nguồn năng lượng ngày một khan hiếm. Do đó tìm các biện pháp để tiết kiệm năng lượng trong CNCB Thực phẩm là vấn đề cấp thiết mà thực tế đặt ra.
Bài báo cáo sau đây sẽ trình bày về những vấn đề bơm nhiệt và khả năng ứng dụng trong CNCB thực phẩm nhằm tiết kiệm năng lượng.
II. NỘI DUNG
2.1. Tổng quan về bơm nhiệt (Heat pump)
2.1.1. Nguyên lý hoạt động của bơm nhiệt
Nguyên lý hoạt động của bơm nhiệt giống như máy lạnh, các thiết bị trong hệ thống giống nhau. Nhưng chúng có mục đích sử dụng hoàn toàn khác nhau. Máy lạnh gắn với việc sử dụng nguồn lạnh ở thiết bị bay hơi còn bơm nhiệt lấy nhiệt thải ra ở dàn ngưng để phục vụ cho một quá trình công nghệ nào đó.
.jpg)
Nguyên lý làm việc của Bơm nhiệt (Heat Pump)
Phương trình cân bằng nhiệt:
Hệ số bơm nhiệt:
Trong điều kiện ở Việt Nam hệ số này thường vào khoảng như vậy khi sử dụng bơm nhiệt (heat pump) thì năng lượng tiêu tốn cho máy nén với công suất N (kw), ta thu được từ 4 đến 5N (kw) lượng nhiệt thải ra ở thiết bị ngưng tụ và lượng nhiệt này sẽ phục vụ cho các công nghệ CBTP, nên khả năng tiết kiệm năng lượng khi dùng bơm nhiệt là rất lớn.
Nguồn nhiệt thu Qo có thể lấy từ không khí bên ngoài môi trường, từ sông, hồ, biển, lòng đất… hay nhiệt của các sản phẩm cháy.
Khả năng ứng dụng của bơm nhiệt trong CNCBTP: sản xuất nước nóng, sấy, gia nhiệt trong các quá trình như chưng cất, cô đặc…
2.1.2. Đặc điểm cấu tạo của các thiết bị trong hệ thống bơm nhiệt
1. Máy nén
Máy nén chạy cho hệ thống bơm nhiệt giống như máy nén lạnh, nhưng yêu cầu môi trường làm việc khắc nghiệt hơn máy nén lạnh vì nhiệt độ sôi và nhiệt độ ngưng tụ của bơm nhiệt thường cao hơn máy lạnh.
Thông thường:
Do điều kiện làm việc trên nên có thể lấy máy nén sử dụng trong điều hòa không khí để chạy cho hệ thống bơm nhiệt.
Ngoài ra, dầu bôi trơn sủ dụng cho máy nén cũng đòi hỏi khắt khe hơn so với máy nén lạnh. Do nhiệt độ cuối tầm nén của bơm nhiệt cao hơn.
2. Thiết bị ngưng tụ và thiết bị bay hơi
Giống như trong máy lạnh nhưng do điều kiện nhiệt độ làm việc cao hơn nên áp suất trong thiết bị lớn hơn. Do vậy thiết bị yêu cầu phải dày hơn. Ta có thể sử dụng các thiết bị trong điều hòa không khí.
3. Van tiết lưu
Van tiết lưu làm việc ở nhiệt độ cao hơn, hiện nay một số hãng sản xuất thiết bị tự động đã nghiên cứu chế tạo các loại van tiết lưu cho các môi chất freon với nhiệt độ lên tới
2.2. Khả năng ứng dụng của bơm nhiệt trong công nghệ chế biến thực phẩm
2.2.1. Sản xuất nước nóng phục vụ cho sản xuất
2.2.2. Trong công nghệ sản xuất bia, đường, sữa, nước giải khát có ga, cô đặc, chưng cất, sấy…
1. Công nghệ sản xuất bia
-
nấu dịch đường.
-
cung cấp nước nóng sơ book cho nồi hơi. (lấy nước su làm mát thiết bị ngưng tụ).
-
kết hợp với làm lạnh: làm lạnh dịch đường, tank lên men bia, bảo quản bia.
2. Sản xuất đường
– làm lạnh để điều hòa không khí.
– dùng nhiệt để: cô đặc, đun nấu đường.
3. Công nghệ chế biến sữa
– Nguồn lạnh : bảo quản sữa chua, làm lạnh và bảo quản dung dịch sữa tươi.
– Nguồn nóng: thanh trùng paster ở nhiệt độ 750C.
4. Công nghệ sản xuất nước khoáng có gas (CO2)
– Nguồn lạnh: để làm lạnh dung dịch từ nhiệt độ ban đầu xuống tới sau đó châm CO2, giúp CO2 dễ hấp thụ, đồng thời để điều hòa không khí cho phân xưởng.
– Nguồn nóng : dùng để thanh trùng, rửa chai lọ làm vệ sinh.
5. Công nghệ sản xuất rượu, cồn, dầu ăn
– Nguồn nóng: thực hiện quá trình chưng, gia nhiệt cho dung dịch trước khi vào công đoạn sản xuất.
– Nguồn lạnh: thực hiện quá trình ngưng tụ.
Ví dụ: Ứng dụng trong cô đặc.
-
Nhiệt độ sôi trong nồi cô đặc . Do đó thực hiện cô đặc chân không là phù hợp.
Ưu điểm:
– sử dụng cả nguồn lạnh và nguồn nóng.
– sơ đồ trên có thể được dùng để sấy dung dịch.
Nếu không phải cô đặc chân không có thể dùng để làm nóng dung dịch.
6. Trong chưng cất
Nhiệt độ sôi của trong nồi chưng 50 -> 55ºC thích hợp cho chưng chân không. Nếu thì thiết bị ngưng tụ của bơm nhiệt để làm nóng dung dịch tương tự phần cô đặc.
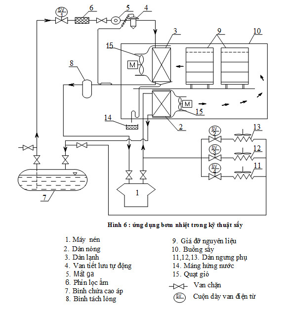
7. Trong kỹ thuật sấy (sấy lạnh)

8. Trong thiết bị ổn nhiệt (tủ ổn nhiệt)
Kết luận
Báo cáo đã giới thiệu về bơm nhiệt và khả năng ứng dụng trong CNCBTP. Với các nội dung trên sẽ giúp cho các CBGD, các CB kỹ thuật và SV hiểu rõ và lựa chọn phương pháp thích hợp ứng dụng bơm nhiệt trong CNCBTP nhằm tiết kiệm năng lượng, nâng cao chất lượng đào tạo.
Nguồn: ntu.edu.vn